Выделены новые штаммы бактерий, которые могут стать основой биопрепаратов для защиты и стимулирования роста растений
Исследования проведены на базе Регионального микробиологического центра НИУ «БелГУ» в рамках НОЦ «Инновационные решения в АПК» при поддержке Института биохимии и физиологии микроорганизмов РАН
Приоритетной задачей партнеров стал поиск и изучение штаммов микроорганизмов, обладающих антибактериальным и противогрибковым эффектамии, способствующих повышению биодоступности питательных веществ, стимуляции роста и разложению некоторых вредных ароматических соединений.
Злободневность таких исследований, проводимых в России и за рубежом, связана со значительным повышением уровня загрязнения окружающей среды и, как следствие, необходимостью разработки специальных препаратов для ее восстановления. Руководитель Регионального микробиологического центра НИУ «БелГУ», доктор биологических наук, профессор Инна Соляникова отмечает, что почва, и особенно её часть ризосфера, богата микроорганизмами и характеризуется большим разнообразием микробных сообщества. Так, количество микроорганизмов составляет несколько миллиардов клеток на грамм почвы, а биоразнообразие достигает сотен тысяч видов бактерий и архей.
В последние десятилетия для защиты растений от патогенов всё чаще используются биологические препараты на основе различных микроорганизмов и их метаболиты. Учёные объясняют безопасность использования для окружающей среды таких биопрепаратов тем, что их активные агенты входят в состав природных биоценозов. В числе ключевых положительных характеристик современных препаратов – экологичность, в том числе снижение химической нагрузки на агроэкосистемы, низкая стоимость, возможность чередовать их с химическими средствами защиты растений и достаточно высокая биологическая эффективность действия. По данным из авторитетных источников, применение биопрепаратов увеличивает урожай сельскохозяйственных культур на 10–40% (в зависимости от вида растений) и улучшает урожайность, качество продуктов, их пищевую и кормовую ценность.
В результате экспериментальных исследований из почвы на территории Белгородской области выделен ряд штаммов бактерий в зависимости от их способности разлагать вредное химическое соединение бензоат натрия.
– Мы смогли доказать, что некоторые из выделенных штаммов являются антагонистами грибковых и бактериальных фитопатогенов. Особого внимания заслуживает штамм P. chlororaphis 3, который характеризуется выраженной способностью контролировать рост фитопатогенов и сравним по эффективности с лучшими штаммами бактерий, используемых в современных биопрепаратах. Показательно то, что некоторые из выделенных штаммов обладают способностью разрушать вредные ароматические соединения, – комментирует Инна Петровна.
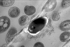
Уникальным открытием проведённых исследований научного коллектива стал тот факт, что один из бактериальных штаммов, идентифицированный как Priestia aryabhattai на основе последовательности гена 16S рРНК, характеризовался необычной клеточной морфологией и циклом развития, существенно отличающимися от всех ранее описанных бактерий этого рода.
Учёные отмечают, что все выделенные штаммы представляют интерес для науки как высокоактивные агенты, контролирующие рост фитопатогенов растений. В последующих исследованиях сотрудникам и студентам Белгородского университета и ученым из Пущинского научного центра предстоит всесторонне изучить их специфику, роль в формировании устойчивых микробных сообществ и разработать препараты для защиты растений.
Подробнее познакомиться с результатами исследования можно по ссылке: https://www.mdpi.com/2076-2607/9/4/755
19.07.2021
| << Назад к списку | | Просмотров: 2044 |
Войти, чтобы оставить комментарий.









